summary
NC1300 multifunctional slipform paver is a multi-purpose cement concrete construction equipment independently developed by our company. It can achieve various mold configuration modes, and is widely used in the construction fields of road drainage ditches, drainage channels, curbs, shoulder stones, concrete guardrails, cement concrete structures and farmland water conservancy ditches, replacing the traditional process and significantly improving the construction quality and speed of cement concrete structures.
The machine has a large power reserve, full electronic control, full hydraulic power drive, proportional control, three-track walking, and is equipped with automatic steering and automatic leveling control system. It can complete the vibration, paving, extrusion and other technological processes of cement concrete structures at one time.

Main technical performance
1. Basic performance parameters
Maximum side paving height 1300mm
Maximum paving width 2000mm
Paving speed 0~15m/min
Travel speed 0~35m/min
2. Powertrain
Engine model YC4DK120-T301 (Yuchai)
Engine Emission Country III
Rated power/speed 88kW/2400r/min
Diesel tank capacity 320L
3. Walking system
Three-track (front one and rear two), hydraulic independent drive, proportional control two-speed motor, planetary gear reducer
Track width 300mm
Track length 1600mm
Climbing capacity ≥ 25%
4. Outrigger steering lifting device
The front track steering device is equipped with displacement sensor for precise proportional control; Outrigger lifting hydraulic proportional control
Minimum turning radius 4240mm
Outrigger hydraulic lifting stroke 900mm
Outrigger mechanical adjustment stroke 280mm
5. Hydraulic system
Imported brand load-sensitive dual-pump hydraulic system, proportional control walking, outrigger turning and lifting, vibrating rod and auger conveying
Hydraulic oil cooling large size radiator, forced air cooling
The hydraulic oil filter is equipped with oil suction filter and the filtering accuracy reaches 10 μ m
Return oil filter
Hydraulic oil tank capacity 130L
6. Electrical control system
Humanized design of operation console, human-computer interactive control screen, clear graphical identification symbols, 24V voltage power supply system
Configure two longitudinal slope sensors, one transverse slope sensor and one steering sensor
Electronic automatic control is adopted for longitudinal slope, cross slope and steering
Equipped with Internet of Things platform, construction management and monitoring system, and optional remote control device
7. Auger conveyor
The hydraulic motor drives the reducer, and the tilt angle and telescopic hydraulic adjustment
Twister speed 0~80r/min
The size of the auger feeding device is 3700mm long, and the blade diameter is 340mm
8. Vibrating compaction system
Imported hydraulic vibrating rod, with independent adjustable vibration frequency and proportional control
Vibrating rod interface 6
Vibrating rod frequency 0~200Hz
9. High-pressure flushing device
Hydraulically driven high pressure ceramic plunger pump, equipped with coil device and high pressure washing water gun
Water tank capacity 320L
10. Mold and mold fixture
According to the working conditions, various molds can be customized to meet the requirements of left paving and middle paving
Hydraulic horizontal stroke of mold fixture 770mm
Hydraulic vertical stroke of mold fixture (double oil cylinder) 410mm
Mechanical vertical stroke of mold fixture 240mm
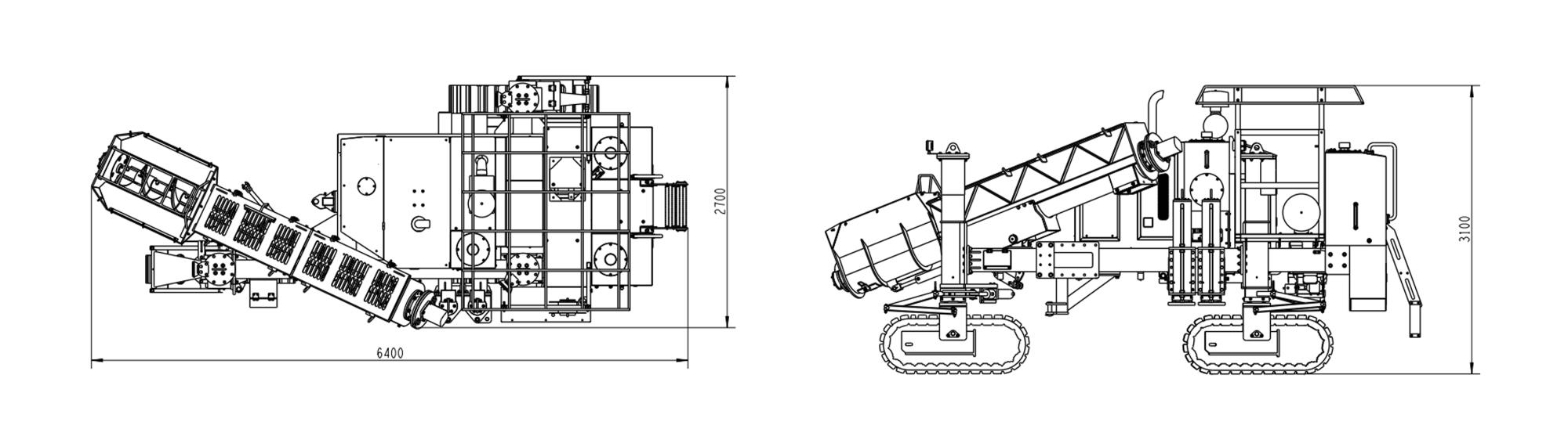
11. Overall dimension and weight (transportation status)
Transport dimension (long × wide × High) (6400 × two thousand and seven hundred × 3100)mm
Operating Weight 11000Kg